Page 81 - 山西众晓电力设备有限公司
P. 81
HXGN66-12
固定式金属封闭开关设备
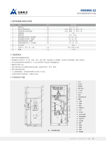
◎ 真空断路器主要技术参数
序号 项目 单位 技术参数
1 额定电压 kV 3.6,7.2,12
2 额定工频耐受电压 kV 对地,相间:42:断口:48
3 额定雷电冲击耐受电压 kV 对地,相间:75:断口:85
4 额定频率 Hz 50
5 额定电流 A 630,1250,
6 额定短路开断电流(有效值) kA 20,25,31.5,
7 额定短路关合电流(峰值) kA 50,63,80,
8 额定动稳定电流(峰值) kA 50,63,80
9 额定热稳定电流 4s(有效值) kA 20,25,31.5
10 防护等级 IP2X
11 外形尺寸(宽 × 深 × 高) mm 900×1000×2300
12 重量 kg ≈ 600
◎ 功能及特点
◇ 柜体采用优质角钢焊接而成。
◇ 断路器室位于柜体中 ( 下 ) 部,安装、调试、维护方便。标准配装 VS1 断路器,并设有压力释放通道,确保人身安全。
◇ 采用先进可靠的旋转式隔离开关,可在主母线带电下安全进入断路器室检修。
◇ 整柜防护等级 IP2X。
◇ 设有可靠功能齐全的强制性机械闭锁装置,简便有效达到“五防”要求。
◇ 具有可靠的接地系统。
◇ 门上装有观察窗,可清楚观察到柜内元件地工作状态。
低碳/环保/和谐/发展
◇ 进出线电缆低于柜体前部,方便用户连接。
◎ 产品外形尺寸图
����������������������1G01���������������HXGN66-12�������������
�����������
弘扬华夏文化,铸造中国品牌 < < 26

