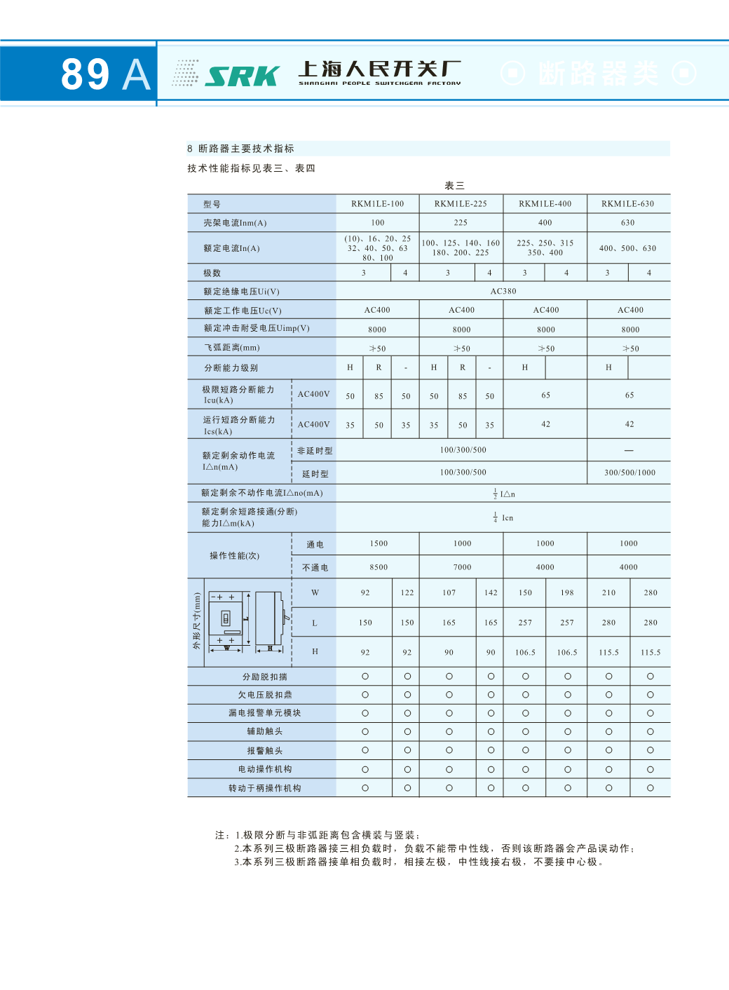
上海人民开关厂电器产品选型手册 - page 104

1...,94,95,96,97,98,99,100,101,102,103 105,106,107,108,109,110,111,112,113,114,...586
Powered by MiDian